Forest trailer
PALMS 10U

PALMS 10U is a forest trailer with a 10-ton nominal load capacity, marking the introduction of our forwarder-type unibody series. Its high clearance and oval frame reduce the risk of getting stuck on stumps. Additionally, all hydraulic components are hidden inside the frame while also ensuring easy access for maintenance.

Specifications
Loading area cross section, m2
2,4
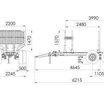
Loading area length, mm
3990
Frame extension length, m
1,085
Gross weight, kg
15000
Curb weight (without options), kg
2170
Total length, mm
6215
Width with standard wheels
2245
Standard wheel size
500/50-17
Frame
unibody
Max crane size by lifting torque, kNm
90
Drawbar control cylinders standard/(optional), pcs
2
Frame type
Unibody (Forwarder)
Additional info
Useful reading
Forest trailer PALMS 10U
Find distributor