Cranes
Trailers
Accessories
Dealers
About
Useful reading
Contact
en
In English
Eesti keeles
Menu
Close
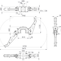
Support legs FD type light - B4
Support legs FD economy type.
Specifications
Mass, kg
265
Find distributor
Cranes
Trailers
Accessories
Dealers
About
Useful reading
Contact