Cranes
Trailers
Accessories
Dealers
About
Useful reading
Contact
en
In English
Eesti keeles
Menu
Close
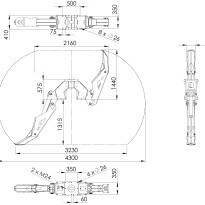
Support legs FD heavy duty (HD) type - B9
Support legs FD heavy duty (HD) type.
Specifications
Mass, kg
474
Related products
See also
HEAVY DUTY BASE WITHOUT SUPPORT LEGS - B09
SUPPORT LEGS HD TYPE WITH CRANE TILT - B11
Find distributor
Cranes
Trailers
Accessories
Dealers
About
Useful reading
Contact